「MITA」HOMEへ 各種オートメーション製品の製造販売、環境にやさしい自動化を実現する|株式会社エムジー
会員のページ
ホーム > 「MITA」会員のページ > DL8 FAQ一覧 > Q9


MsysNet FAQ
DL8 FAQ
DL30 FAQ
RGP FAQ
SCADALINXpro FAQ
会員様向け動画
MITAニュース
バックナンバー
入会案内
会員のページ
株式会社エムジーのWebサイトへ
お問合せ
ホットラインフリーダイヤル
0120-18-6321

メールでのお問合せ

DL8 FAQ9


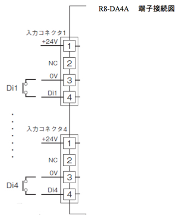
データマル(形式:DL8)にリモートI/O R8シリーズの接点入力カード(形式:R8-DA4A)を取付けて無電圧接点を入力したいのですが、どの端子番号に入力するのかわかりません。

<A>

端子3と端子4をショートするとDiがオンになります。

 


<< DL8 FAQ一覧に戻る



このページの先頭へ戻る