MsysNet Q22

4つの流量の加算を行い演算結果を 0〜1000 m3/h のレンジで、OPU(SFDN)上に表示したいのですが、方法を教えてください。4つの流量のレンジは下記となっています。 (1)0〜200 m3/h (2)0〜200 m3/h (3)0〜200 m3/h (4)0〜400 m3/h
<A>
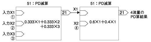
計器ブロックの中にある加減算ブロックを使用して演算しますが、1ブロックで演算できる入力は3つまでとなりますので、この加減算ブロックを2つ使用します。
- (1)〜(3)の加算を行います。この3つの流量は全て同じレンジとなっているので下記の式を用いて加算します。
X0 = 0.333X1 + 0.333X2 + 0.333X3 + A0
- 上記で用いた演算結果(0〜600m3/h)に(4)の流量を加算します。
X0= 0.6X1 + 0.4X2 + A0
<上記の演算方法の計器ブロック図>
この他にも計器ブロックを用いることによりいろいろな演算を実現することができます。 詳細につきましては、「計器ブロック応用マニュアル」を参照ください。
|